电动车同质化严重,价格竞争激烈,因此须要高性价比方案降低成本,这个成本不仅包括硬件成本还有开发成本,并且这个方案最好还能用在高中低多种车型上,进一步降低开发成本,这就是高通SA8650。
目前,海外车企中已经有、通用、、大众和确定采用,宝马进度最快,2年前就与法雷奥展开了合作,今年底或2025年初就有采用高通SA8650的车型上市。高通第二代ADAS平台有个优势就是在没有芯片没有开发板的情况下也可以基于虚拟原型开发,采用IT行业的CI/CD模式,开发速度很快,成本很低。
国内方面,与高通合作的方案商主要有Momenta、均联智行、毫末智行、中科创达、畅行智驾、纵目科技、诺博科技、德赛西威和卓驭。但由于起步较晚,目前量产上车的非常罕见,大量上车估计要到2025年和2026年。地平线、华为、英伟达Orin也是强劲的竞争对手。高通锁定的竞争对手应该主要是Mobileye和单Orin方案。
来源:卓驭(原大疆车载)
卓驭的100TOPS方案就是高通SA8650方案,硬件成本仅为七千元。
来源:卓驭(原大疆车载)
卓驭的SA8650有7V和10V两个方案,无需高精度地图和激光雷达。
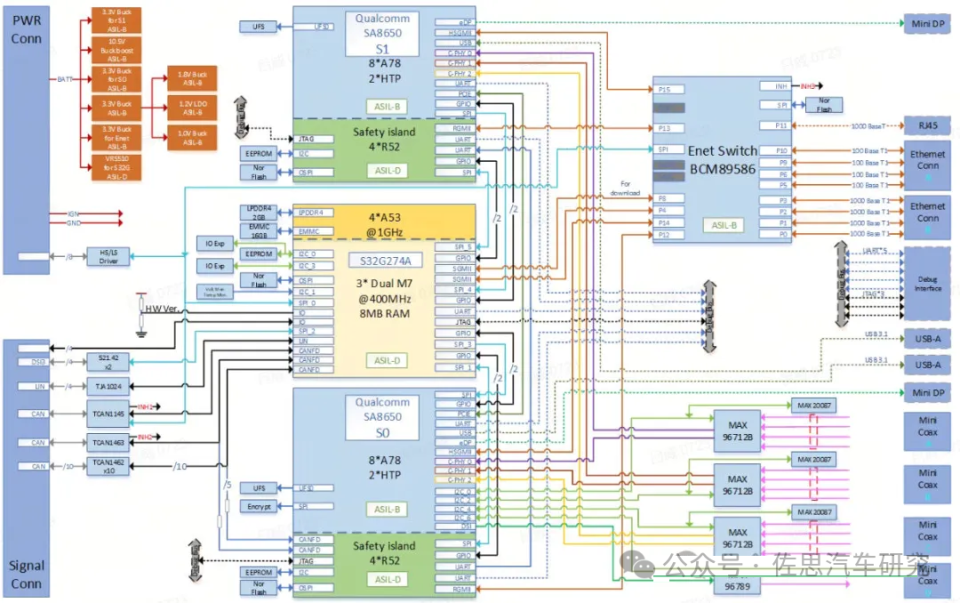
典型单SA8650方案
图片来源:网络
典型单SA8650方案,非常简单,前置两个800万摄像头,一个120度FOV,一个30度。侧摄像头4个,都是300万像素,4个360全景,也可以是300万像素,一个300-400万像素后视摄像头。11个摄像头。以太网交换机用16口的88Q5192,预留了足够多的接口,有4个千兆网接口,可以接4个激光雷达或连接4个域控制器,有5个百兆网接口,可以接足够多的定位盒子如RTK或IMU。实际一个9口甚至5口的以太网交换机就足够。安全MCU还是TC397,毫米波雷达,超声波雷达都接在TC397上,还有底盘、车身、动力等CAN网络。
高通双SA8650典型方案拓扑图
图片来源:网络
这个方案拓展一下应该也可以做舱驾泊一体的方案,它有两个USB接口,且显然不是调试用的。此外有三路视频输出,两路是eDP输出,另一路是用MAX96789加串行,MAX96789可以输出两个屏幕的内容,一个给中控,一个给仪表。就是缺乏音频部分。
三个MAX96712做解串行,支持12个400万像素摄像头输入。
根据上图的方案,集中度很高,高通8650的安全岛似乎是省下一个昂贵的安全MCU(通常是英飞凌的TC397或TC377),S32G274很大可能是网关系统的核心,也有可能是安全MCU且负责自动泊车。
高通的SA8650与高通SA8255/SA8775/SA8770设计大同小异,主要差别是AI算力大小。SA8775多了两个通用DSP,AI算力最高达到了72TOPS,SA8255的AI算力最高为48TOPS。SA8650有两个版本,一个是50TOPS,一个是100TOPS。CPU、GPU、DPU和VPU都完全相同,CPU都是8核心的Kryo 670 Gold即ARM Cortex-A78,最高频率2.5GHz,CPU算力大约230K DMIPS,与英伟达Orin相当。GPU部分,都是Adreno 663,算力为1.1-1.3TFLOPS。高通Spectra ISP 690图像处理引擎,Adreno 765 VPU,用于高质量、超高清视频编码和解码, Adreno DPU 1199支持超高清多显示器。对外出售仍然是模块方式,都是4个PMM8650电源管理加一个第三方电源管理,还有一个315球LPDDR5(×3)SDRAM。最大化产品线,增加出货量,降低成本。此外还有一个低端的SA8620,AI算力36TOPS,CPU算力大幅降至80K DMIPS。高通推荐用SA8775做舱驾一体,推测可能SA8650的CPU运行频率比SA8775要低,实际SA8650做舱驾一体应该也没问题。
SA8650的安全岛内有4核心的ARM Cortex-R52做实时性控制。安全岛主要包括网络集成、健康监测、通用资源、根与安全几个部分,对于主域主要是安全超时和动态电气隔离,实现失效恢复和重启,不过应该主要是针对存储部分。其他几个部分均是常规设计,如内建自测试的BIST,安全岛达到了ASIL-D级别,智能驾驶的话,一般外接一个ASIL-D级的MCU,通常是英飞凌的TC397或TC377,但高通的设计,大胆放弃了这个MCU,降低成本,同时减少传输可能的错误或故障。
高通的方案使用了NXP的S32G274A。
S32G2系列是NXP在2022年推出的高端产品,主要面向汽车网关,也可以用于智能驾驶安全MCU。S32G2系列共4款产品,分别是S32G233234254274,S32G274是最高级产品。
S32G274内部框架图
来源:NXP
S32G274拥有三个400MHz的Arm Cortex-M7内核, 架构上,M7具备六级、顺序、双发射超标量流水线,拥有单精度、双精度浮点单元、指令和数据缓存、分支预测、SIMD支持、紧耦合内存(TCM)。指令和数据缓存、分支预测、TCM都是以往M系列上没有的。MCU经常不考虑缓存,有时候甚至将闪存作为唯一的内存接口。通过加入高性能的指令和数据缓存(最大均为64KB),M7开始向典型的高性能处理器设计靠拢。TCM之前也只在A、R系列上存在,可以用来扩展M7的有效缓存,最大容量16MB,是MCU物理内存映射的一部分。
S32G虽然实时处理核并未采用Cortex-R,但在同样测试环境下,实测S32G的M7核 (400Mhz, 1300 DMIPS)在SRAM里运行,性能约为R5F核 (1GHz, 2000 DMIPS) 在DDR运行的3到5倍。Arm Cortex-M7作为MCU做对实时性要求更高的控制,例如动力域的Classic Autosar应用,而Cortex-A53由于高的主频和处理能力则主要用于算法的运行,例如跑信息娱乐或ADAS域基于QNX的Adaptive Autosar应用。S32G SoC片上系统提供了XRDC硬件资源隔离机制,从硬件上保证M7核上的实时应用和A53核上的性能应用,既能有效合作,又能完全硬件隔离,保证整个系统的高可靠性。S32G的A核,M核,LLCE,PFE,HSE五个模块都内置处理器,意味着都可以两两之间互相通信互相配合完成各种功能,实现分布式的功能实现。例如LLCE内置了4个200MHz的Cortex M0+核,类似传统的CAN网关MCU。
S32G2系列主要面向网关,S32G的低延迟通信引擎 (LLCE) 主要负责CAN、LIN 和 FlexRay 的通讯。LLCE 在校验和认证帧的过程中offload 主核的负载,并可基于片上的硬件安全模块 (HSE)处理帧的加密、解密过程,LLCE旨在提供:通信接口的低延迟处理, 为所有接口相关任务offload主机内核,安全相关任务可直接向HSE模块进行数据获取和传输。
固件通过 AUTOSAR MCAL 集成到 AUTOSAR 通信堆栈中,NXP 提供CAN_LLCE、LIN_LLCE和FR_LLCE的驱动程序。用于 LLCE 的 AUTOSAR 驱动程序与标准通信的 CAN/LIN/FR 驱动程序并行运行。NXP LLCE 固件支持用户创建的高级扩展。
数据包转发引擎(PFE)可大幅降低主机内核对以太网数据包的处理负载,较通过纯软件的处理方式具有更高的性能和更低的功耗。PFE 具有 2 Gbit/s 的数据包转发速度且几乎不会对主机内核带去负载。
S32G用加速器来完成CAN和以太网路由通信,大大释放了M核和A核的算力,通过加速器之间配合,即可完成CAN-to-CAN, CAN-to-Eth, Eth-to-CAN, Eth-to-Eth的路由转发功能。随着通信带宽和路数增加,加速器可以承担更多处理任务,而不影响A核和M核上的应用软件的执行。使用加速器之后,网关所需算力,按照实际车厂项目经验,约为0.5个M7核,即650 DMIPS。
而NXP S32G则提供了硬件安全引擎(HSE),用于安全启动和加速安全服务。HSE作为一个安全子系统旨在运行具有严格保密性或真实性要求的应用程序安全功能,具有诸如秘钥管理、内存检查、加解密、随机数服务等功能。NXP同时提供了ASIL-D的电源芯片VR5510与S32G配合,实现板级ASIL-D的安全目标。NXP为S32G开发了功能安全软件框架(Safety Software Framework, SAF),可通过配置软件生成代码,方便集成到AUTOSAR或者non-AUTOSAR应用中。SAF包含了多个功能模块,包括基础驱动程序(Safety Peripheral Drivers, SPD),以及更多的中间件模块例如Safety Boot, Mode Selector, Error Management, Square Check等,方便快速开发功能安全应用软件。
S32G2的片上8MB SRAM,并且以64Byte交织(interleaved)的方式连接。400MHz x 128bit,带流水线功能,实现最大的吞吐率。S32G3提供最大20MB SRAM,进一步提升了实时核多域融合的集成度。S32G2自带的8MB SRAM可以将AUTOSAR CP的全部软件运行在SRAM中(S32G3提供20MB SRAM),可以将硬件初始化时间控制在32毫秒左右即可跳转到用户的bootloader代码,最终实现快速唤醒的功能。
S32G274网关典型应用图
来源:网络
S32G274外接LPDDR4可以2-4GB之间,eMMC在12-32GB之间,Nor Flash也就是QSPI Flash在32-64MB之间,如果仅仅是一个安全MCU,那么不需要外接这么多类型的存储,所以笔者推测这个SA8650方案是融合了网关的,至少是融合了部分网关。
来源:NXP
S32G有丰富的通讯接口,有20个CAN接口,4个千兆以太网接口和2个PCIe 3.0接口,为不管是网关还是域控等各种应用场景的支持提供了灵活性。本文的方案,使用了NXP的TJA1022做一路LIN,一路德州仪器的TCAN1145和一路德州仪器的TCAN1463做单独的CAN FD,另外10路德州仪器的TCAN1462做CAN-FD,基本上是全CAN-FD设计,且用了德州仪器的新产品TCAN1462,能满足 ISO 11898-2:2016 和CiA 601-4 标准,支持功能安全,具备失效保护功能。使用多达13个CAN-FD收发器,应该是网关而非智能驾驶安全MCU。
国内基于英伟达Orin的方案基本都是Marvell的以太网交换机,基于地平线J5的方案基本都是NXP的以太网交换机,NXP的通道数特别低,有时须要两个以太网交换机,基于TDA4或Mobileye的方案多用瑞昱的以太网交换机。本文的方案使用最新的以太网交换器博通的BCM89586M,这是博通于2022年6月推出的新产品,2023年1季度量产,是目前最顶级的以太网交换机,具备多达16路通道。同样具备16路通道的是Marvell的88Q5192,BCM89586的总带宽高达55Gbps,最高支持10Gbps ,88Q5192总带宽是36.6Gbps。
BCM89586内部框架图
来源:Broadcom





